Contact us

Former health centre. Current D1 use including medical, nurseries, training centres etc. Suitable for residential development (subject to planning).

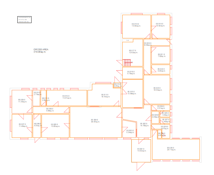
The property comprises a former purpose built health centre of brick construction beneath a flat roof. Internally, the accommodation is cellular in layout comprising a series of consulting and treatment rooms together with kitchen and WC facilities.

The site is situated on the south east side of Moorcroft Road at its junction with Sledmoor Road in Northern Moor, Wythenshawe, Manchester.

Download the floorplan